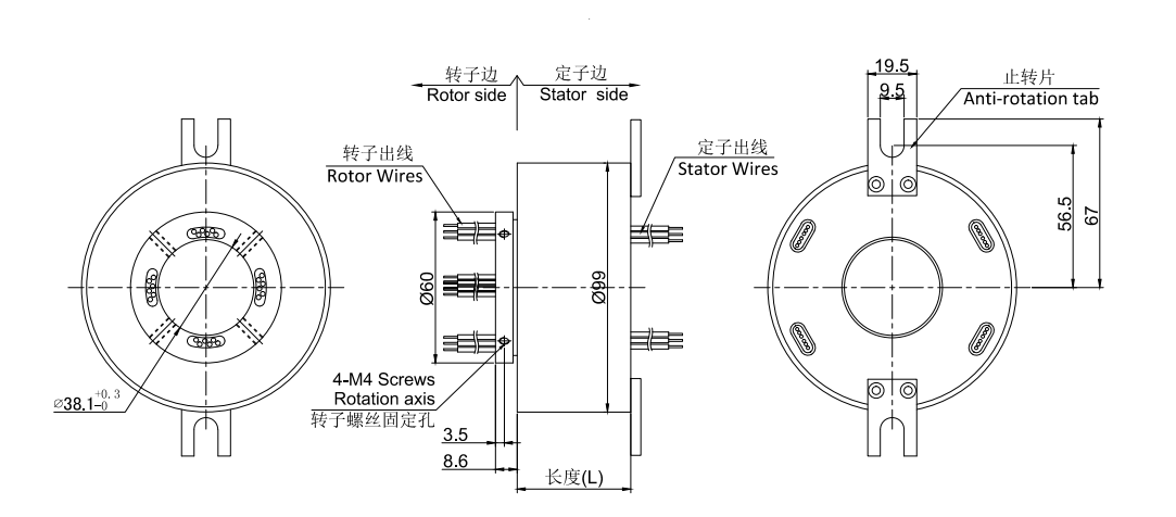
HT3899系列穿孔滑环具有38.1毫米的孔径、99毫米的外径和1至72个通道。它支持信号传输(2A)以及5A或10A的电力传输,额定电压为380 VAC / 24 VDC。
工作速度:0-300RPM
接触材料:贵金属
导线长度:定子/转子:300mm
防护等级:IP51
绝缘电阻:≥500MΩ@500VDC


1. 传输能力:能够传输模拟和数字信号
2. 混合传输:支持电力与多种信号的混合传输,包括:
(1)以太网:速率10Mbps、100Mbps、1000Mbps
(2)工业以太网:EtherNet、EtherCAT、ProfiNet、Powerlink、SercosIII/IP等
(3)高清视频:SDI、LVDS等
(4)串行通信:RS232、RS485、RS422等
(5)通用串行总线:USB 2.0
(6)工业现场总线:CANBus、ProfiBus、InterBus、CC-Link、DeviceNet等
(7)传感器信号:热电偶、RTDs、应变片等
3. 主要设计用于气动和液压介质传输,或安装在旋转电机轴上。
4. 采用先进的贵金属刷多点接触技术,在极低摩擦条件下确保可靠的电气连接。
5. 耐用性:使用寿命极长,免维护
6. 安装便捷:易于安装
机器人
工业自动化设备
医疗设备
测试设备
展览/展示设备
包装机械
转盘设备
游乐设备
高速铁路设备
海洋及 offshore 设备
工程机械
风电设备
1. 中心通孔选项范围为0至1000毫米,额定电流范围为0至5000A,电压容量可达10000V。
2. 工作温度:标准范围-30℃~+70℃,定制范围-60℃~+200℃
3. 工作转速:标准0~300RPM,可定制最高0~20000 RPM
4. 参考寿命:标准2000万转@300RPM,可根据要求提供长寿命滑环
5. 外壳材料:可选工程塑料、铝合金和不锈钢
6. IP等级:标准IP51,可定制最高IP68
7. 连接器类型和长度:可根据要求提供多种连接器类型和长度
8. 集成能力:可与气动、液压、射频和光纤旋转接头集成
9. 信号支持:支持同时传输多种信号,包括工业以太网、串行信号、工业总线、USB、SDI等。
