射频滑环,也称为高频滑环,专为在360°旋转过程中传输高频信号、射频信号、微波信号、模拟信号和数字信号而设计。它们还支持与电信号、控制信号、通信信号、电源及流体介质的组合传输。射频滑环支持的传输频率范围为500 MHz至50 GHz或更高。其特点包括结构紧凑、性能稳定、屏蔽效果优异、抗干扰能力强,且易于集成到其他设备中。
电路数量:2路射频信号
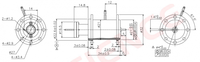
导线尺寸:RF1.13同轴线
介电强度:≥400V@50HZ
绝缘电阻:≥500MΩ@400VDC
动态接触电阻:≤10MΩ
工作转速:0~600rpm
防护等级(IP):IP40
工作温度:-20℃~+80℃
触点材料:贵金属

1、支持1、2、3、4、6或8个射频通道。
2、可与1至96个电路组合,用于电力和信号传输。
3、具有优异的电压驻波比(VSWR)性能。
4、适用于高容量数据传输且无延迟。
5、支持超高清视频数据的高速传输。
军事雷达
舰载卫星通信系统
车载卫星通信设备
卫星通信车
应急指挥车
高端机器人
车辆旋转炮塔
遥控系统、雷达天线
医疗系统
视频监控系统
国家或国际安全系统
水下作业系统
应急照明设备
机器人
展览/展示设备
1、最多可提供6个通道(更多通道可定制)。
2、频率范围最高可达50 GHz。
3、结构紧凑,抗干扰能力强。
4、支持多种类型信号的同时传输。
5、超低插入损耗,传输波动极小。
6、使用寿命长,免维护运行。
