光纤滑环,也称为光学滑环,是一种专门的旋转连接器,旨在实现 360° 不间断旋转以及光能量和信号的传输。它能在旋转部件和固定部件之间实现无缝的光纤信号传输,非常适用于需要高速信号、大信息容量、高精度和远距离传输的应用场景。与传统滑环不同,光纤滑环中的光信号传输是非接触、无摩擦的,使用寿命可达数亿转。全密封设计确保光信号独立传输,不受电信号干扰,且抗电磁干扰。这一设计特点使其对恶劣的应用环境具有很强的适应性,包括低温、高压和电磁干扰环境。当与电滑环配合使用时,光纤滑环可组成光电滑环系统,能够同时传输电力和高速数据,为复杂的工业和技术需求提供多样化的解决方案。
光纤类型:单模光纤
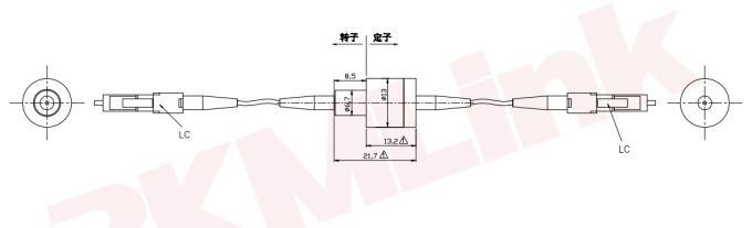
弯曲半径:>R25
电路数量:1
旋转速度:0-1000转/分钟
工作波长:1310nm-1550nm
工作温度:-40~+85℃
插入损耗:≤3dB
工作寿命:30-50百万次转动
插入损耗变化:≤0.7dB

华盛电气的光纤滑环采用专利光学耦合技术,具有显著优势:专利光学耦合技术:自主研发,简化耦合流程——无需光纤准直器或同轴调整。一次性组装效率是市场同类产品的10倍以上,确保100%通过率。
1、长使用寿命:支持2亿至4亿次旋转
2、低损耗光学耦合技术:确保最小信号损耗
3、密封结构:光学部件不受外部环境因素影响
4、紧凑轻便:便于与电滑环集成
5、无泄漏、无电磁干扰:适用于长距离传输(数十至数百公里)
6、高带宽传输:传输带宽远大于电气连接器。兼容波分复用器以提高带宽利用率。
机器人
物料处理系统
医疗系统
远程控制系统
雷达系统
车辆旋转炮塔
视频监控系统
海洋设备
海军系统
国家或国际安全系统
潜艇作业系统
1、使用寿命:单模≥2亿次旋转(300转/分钟);多模≥1亿次旋转(300转/分钟)
2、光纤传输类型:提供多种选择
3、电源和信号配置:数量和类型可定制
4、光纤类型:选项包括单模或多模,单通道或多通道配置
5、定制化:形状、外壳材料和驱动连接器可定制
6、光纤连接器:可选FC、LC、PC、ST等类型
