选择语言

HF0178光电滑环

contact us
HF0178光电滑环

product details

描述

光纤滑环,又称光滑环,是一种专用旋转连接器,旨在实现光学能量和信号的不间断360°旋转传输。它能够在旋转部件与静止部件之间实现光纤信号的无缝传输,非常适合需要高速信号、大信息容量、高精度和长距离传输的应用。与传统滑环不同,光纤滑环中的光信号传输是非接触、无摩擦的,确保其使用寿命可达数亿次旋转。全密封设计保证了光信号的独立传输,不受电信号干扰且具有抗电磁干扰能力。这一设计特性使其能适应低温、高压和电磁干扰等严苛应用环境。当与电滑环配合使用时,光纤滑环可形成光纤-电滑环系统,能够同时传输电力和高速数据,为复杂的工业和技术需求提供多样化的解决方案。

规格参数

光纤类型:单模(SM)、多模(MM)

工作波长:1310/1550 nm,850/1310 nm

插入损耗:<4dB

插入损耗波动:<1dB

回波损耗:≥35dB

工作温度:-40~85℃

存储温度:-50~85℃

防护等级:IP54/IP65/IP67(可选)

额定转速:0~300rpm

预计使用寿命:>1亿次循环

护套类型:TPU 或 带铠装(可选)

连接器类型:FC/LC/SC/ST(PC/APC 端面)(可选)

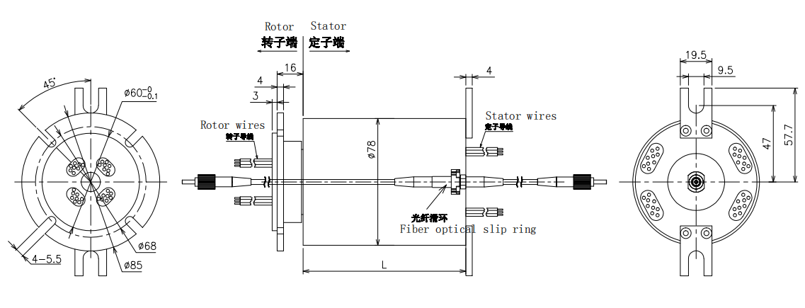
图示

HF0178.jpg


特性

华盛电气光纤滑环采用专利光学耦合技术,具有显著优势:专利光学耦合技术:自主研发,简化耦合流程——无需光纤准直器或同轴调节。一次性组装效率是市场同类产品的10倍以上,确保100%通过率。

  • 长使用寿命:支持2亿至4亿次旋转

  • 低损耗光学耦合技术:确保最小信号损耗

  • 密封结构:光学部件不受外部环境因素影响

  • 紧凑轻便:便于与电滑环集成

  • 无泄漏、无电磁干扰:适用于长距离传输(数十至数百公里)

  • 高带宽传输:传输带宽远大于电气连接器。兼容波分复用器以提高带宽利用率。

主要应用

  • 机器人

  • 物料处理系统

  • 医疗系统

  • 远程控制系统

  • 雷达系统

  • 车辆旋转炮塔

  • 视频监控系统

  • 海洋设备

  • 海军系统

  • 国家或国际安全系统

  • 潜艇作业系统

可定制选项

1、使用寿命:单模≥2亿次旋转(300转/分钟);多模≥1亿次旋转(300转/分钟)

2、光纤传输类型:提供多种选择

3、电源和信号配置:数量和类型可定制

4、光纤类型:选项包括单模或多模,单通道或多通道配置

5、定制化:形状、外壳材料和驱动连接器可定制

6、光纤连接器:可选FC、LC、PC、ST等类型

0.158089s